Username is required Email Address is invalid Password is required {{vm.signInError}}
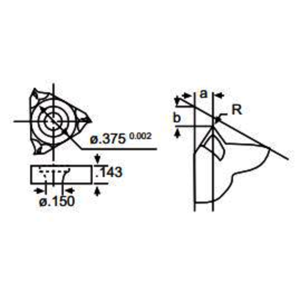
Standard/Approvals:T1500A
Sumitomo Electric Carbide 1CJTAEU TMI | 24-12 | T1500A | Laydown Threading Insert